
【產品用途】
HH44X、HH44T、HH44H型微阻緩閉止回閥用于給排水管道,安裝在水泵出口處用來防止介質逆流和消除破壞性水錘,并能有效地減少閥門關閉水錘壓力,可保障管網安全運行。
【產品特點】
微阻緩閉止回閥具有閥瓣輕、開度大、節電效果顯著,流體阻力小,水錘消除機構設計新穎,密封性能穩定可靠、耐磨損、使用壽命長、運行平穩、無振動、無噪聲等特點。
【性能參數】
|
型號 |
HH44T-10~25 |
HH44X-10~25 |
HH44H-10~25 |
|
|
工作壓力(MPa) |
1.0~2.5 |
|||
|
適用溫度(℃) |
≤80 |
|||
|
適用介質 |
水 |
|||
|
材料 |
閥體、閥蓋 |
灰鑄鐵、碳鋼 |
||
|
閥瓣 |
橡膠組合件 |
|||
|
閥軸 |
不銹鋼 |
|||
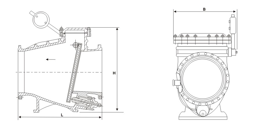
【主要外形和連接尺寸】
|
公稱通徑 |
主要外形和連接尺寸 |
||
|
L |
W |
H |
|
|
HH44T-10 HH44X-10 H44H-10C HH44T-16 HH44X-16 HH44H-16C HH44T-25 HH44X-25 HH44H-25 |
|||
|
50 |
230 |
270 |
300 |
|
65 |
290 |
290 |
320 |
|
80 |
310 |
300 |
354 |
|
100 |
350 |
320 |
350 |
|
125 |
400 |
340 |
380 |
|
150 |
480 |
410 |
500 |
|
200 |
500 |
450 |
580 |
|
250 |
600 |
550 |
670 |
|
300 |
700 |
580 |
730 |
|
350 |
800 |
630 |
820 |
|
400 |
900 |
700 |
920 |
|
450 |
1000 |
800 |
950 |
|
500 |
1100 |
900 |
1100 |
|
600 |
1300 |
990 |
1200 |
|
700 |
1400 |
1120 |
1550 |
|
800 |
1500 |
1300 |
1700 |
【結構圖片】